|
FH & FHP SERIES Hydraulic Cylinders
| |
Designed to meet the demands of today's high speed CNC bar and chucking lathes. They feature precision finished piston bores and cool running rotary unions for years of trouble-free performance |
Special Features
- High Speed
- Built-in Check Valves and Pressure Relief Values
- Long Piston Stroke
- Long Life and High Endurance
- Efficient Cooling at High Speeds
FH & FHP Series Coolant Collectors
COOLANT COLLECTORS DIMENSIONS (Dimensions in Inches)

| MODEL |
CS-F09BN |
CS-F12BN |
CS-F15BN |
CS-F17BN |
CS-20HW |
CS-25HW |
| A |
3.819 |
3.819 |
4.488 |
6.063 |
6.535 |
7.874 |
| B |
2.874 |
3.346 |
3.780 |
4.764 |
5.472 |
7.047 |
| C |
1.535 |
1.535 |
1.535 |
1.575 |
1.969 |
1.969 |
| D |
3.150 |
3.228 |
3.228 |
3.386 |
4.000 |
4.000 |
| E |
5.512 |
5.512 |
5.906 |
7.480 |
8.465 |
9.252 |
| F |
3.622 |
3.622 |
4.016 |
4.921 |
5.098 |
5.827 |
| G |
1.535 |
1.535 |
1.535 |
1.693 |
2.323 |
2.638 |
| H |
0.445 |
0.945 |
0.945 |
1.102 |
1.024 |
0.709 |
| I |
1.535 |
1.535 |
1.535 |
1.693 |
1.693 |
1.693 |
| J |
0.945 |
0.945 |
0.945 |
1.102 |
1.024 |
1.024 |
| K |
3.307 |
3.307 |
3.898 |
5.669 |
6.043 |
7.559 |
| L |
0.472 |
0.472 |
0.472 |
0.472 |
0.472 |
0.472 |
| M min. |
1.142 |
1.181 |
1.181 |
1.181 |
1.378 |
1.378 |
| N |
|
1.024 |
1.024 |
1.024 |
1.024 |
1.024 |
| CYL. |
F0933H |
F1236H |
F1546H |
F1768H |
F2078H |
F2511H(P) |
Standard Coolant Collectors (without proximity switch) are also available.
SPECIFICATIONS
| MODEL |
UNIT |
F0933H |
F1236H |
F1546H |
F1768H |
F2078H |
F2511H |
F2511HP |
| Bore |
in. |
1.299 |
1.417 |
1.811 |
2.677 |
3.071 |
4.626 |
4.626 |
| Piston Stroke |
in. |
0.472 |
0.472 |
0.630 |
0.748 |
0.906 |
0.906 |
1.969 |
| Piston Area-Pull Side |
in.2 |
8.25 |
15.97 |
24.09 |
28.47 |
36.50 |
52.20 |
52.20 |
| Piston Area-Push Side |
in.2 |
8.522 |
16.01 |
24.91 |
28.55 |
37.77 |
54.00 |
54.00 |
| Max. Draw Bar Pull-Side |
lbs. |
4935 |
8150 |
12115 |
14317 |
18502 |
26432 |
26432 |
| Max. Draw Bar Push-Side |
lbs. |
4620 |
8150 |
12555 |
14317 |
19163 |
27533 |
27533 |
| Max. Operation Pressure |
psi |
570 |
570 |
570 |
570 |
570 |
570 |
570 |
| Max. Speed |
rpm |
8000 |
6700 |
6000 |
4500 |
3500 |
2800 |
2800 |
| GD2 |
lbs.* ft.2 |
0.8 |
2.1 |
5.5 |
10.0 |
14.5 |
42.2 |
45.0 |
| Net Weight |
lbs. |
18.7 |
28.6 |
48.5 |
74.9 |
96.9 |
132.2 |
138.8 |
| Oil Leakage* |
gal./min. |
0.7 |
0.8 |
1.0 |
1.0 |
1.0 |
2.0 |
2.0 |
* This oil leakage rate is reached if the cylinder is used at an operating pressure of 427 psi at oil temperature of 122° F.
SPECIFICATION OF PROXIMITY SWITCHES
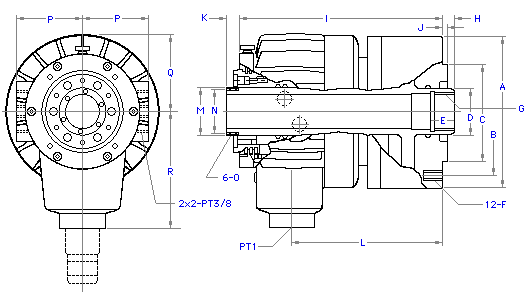
HYDRAULIC CYLINDERS DIMENSIONS (Dimensions in Inches)

| MODEL |
F1236H |
F1546H |
F1768H |
F2078H |
F2511H |
F2511HP |
| A |
6.102 |
7.480 |
8.465 |
9.449 |
12.205 |
12.205 |
| B |
5.118 |
6.693 |
7.480 |
8.465 |
10.827 |
10.827 |
| C |
3.937 |
5.118 |
6.299 |
7.087 |
9.055 |
9.055 |
| D |
1.969 |
2.559 |
3.346 |
3.937 |
5.512 |
5.512 |
| E |
0.984 |
1.181 |
1.181 |
1.378 |
1.772 |
1.772 |
| F |
M10 |
M10 |
M10 |
M12 |
M16 |
M16 |
| G |
M42x1.5 |
M55x2.0 |
M75x2.0 |
M90x2.0 |
M130x2.0 |
M130x2.0 |
| H max. |
0.472 |
0.630 |
0.945 |
0.906 |
0.945 |
1.811 |
| H min. |
0 |
0 |
0.197 |
0 |
0.039 |
-0.157 |
| I |
8.346 |
9.843 |
10.866 |
11.654 |
12.205 |
13.268 |
| J |
0.197 |
0.197 |
0.197 |
0.197 |
0.236 |
0.236 |
| K max. |
0.984 |
1.142 |
1.142 |
1.496 |
1.496 |
2.559 |
| K min. |
0.512 |
0.512 |
0.394 |
0.591 |
0.591 |
0.591 |
| L |
6.181 |
7.126 |
7.697 |
8.228 |
8.543 |
9.606 |
| M |
1.953 |
2.346 |
3.331 |
3.724 |
5.299 |
5.299 |
| N |
1.693 |
2.087 |
3.031 |
3.425 |
5.000 |
5.000 |
| O |
M4 |
M4 |
M5 |
M5 |
M5 |
M5 |
| P |
2.717 |
3.071 |
3.937 |
4.232 |
4.921 |
4.921 |
| Q |
3.150 |
3.583 |
4.331 |
4.626 |
5.335 |
5.335 |
| R |
4.724 |
5.118 |
6.496 |
7.283 |
8.465 |
8.465 |
|