YR & YRE SERIES Hydraulic Cylinders
Closed center hydraulic cylinders feature high speed and long stroke options for use with all closed center chucks with speeds up to 6000 RPM.
Special Features
- Safety Check Valves to Ensure Safety in the Event of Hydraulic Failure
- Safety Pressure Relief Valve to Prevent Damage to
- Cylinders in the Event of Over Pressure
- High Speed, Compact and Lightweight
- Maintenance Free Design
SPECIFICATIONS
| MODEL |
UNIT |
Y1020R(E) |
Y1225R(E) |
Y1530R(E) |
Y2035R(E) |
Y1240RE |
Y1550RE |
Y2050RE |
| Piston Stroke |
in. |
0.787 |
0.984 |
1.181 |
1.378 |
1.575 |
1.969 |
1.969 |
| Piston Area-Pull Side |
in.2 |
12.3 |
17.5 |
24.8 |
45.0 |
17.5 |
24.8 |
45.0 |
| Piston Area-Push Side |
in.2 |
13.3 (13.0) |
18.9 (18.6) |
27.3 (27.0) |
48.7 (48.4) |
18.6 |
27.0 |
48.4 |
| Max. Draw Bar Pull Force |
lbs. |
6505 |
9423 |
13460 |
24229 |
9423 |
13460 |
24229 |
| Max. Operation Pressure |
psi |
570 |
570 |
570 |
570 |
570 |
570 |
570 |
| Oil Leakage Rate* |
gal./min. |
0.2 |
0.2 |
0.2 |
0.2 |
0.2 |
0.2 |
0.2 |
| Max. Speed |
rpm |
6000 |
6000 |
5500 |
5500 |
6000 |
5500 |
5500 |
| Net Weight |
lbs. |
16 (17) |
22 (23) |
30 (31) |
49 (50) |
24 |
33 |
52 |
| GD2 |
lbs.* ft.2 |
1.2 |
2.1 |
4.5 |
9.2 |
2.4 |
4.7 |
9.9 |
(E) Designated stroke detection option using detector plates and proximity switches. *Oil leakage rate is based on operating pressure of 435 psi at oil temperature of 122° F.
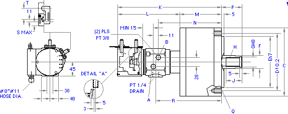
DIMENSIONS (Dimensions in Inches)
YR Dimensional Drawing

YRE Dimensional Drawing

| MODEL |
Y1020R(E) |
Y1225R(E) |
Y1530R(E) |
Y2035R(E) |
Y1240RE |
Y1550RE |
Y2050RE |
| A (Piston Diameter) |
4.134 |
4.921 |
5.906 |
7.874 |
4.921 |
5.906 |
7.874 |
| B (Stroke) |
0.787 |
0.984 |
1.181 |
1.378 |
1.575 |
1.969 |
1.969 |
| C |
5.315 |
6.299 |
7.480 |
9.646 |
6.299 |
7.480 |
9.646 |
| D |
3.937 |
5.118 |
5.118 |
5.709 |
5.118 |
5.118 |
5.709 |
| E |
3.150 |
4.331 |
4.331 |
4.724 |
4.331 |
4.331 |
4.724 |
| F |
1.181 |
1.378 |
1.772 |
2.165 |
1.378 |
1.772 |
2.165 |
| G |
0.827 |
0.984 |
1.220 |
1.457 |
0.984 |
1.220 |
1.457 |
| H |
M20 |
M24 |
M30 |
M36 |
M24 |
M30 |
M36 |
| J |
1.378 |
1.732 |
1.772 |
2.362 |
1.850 |
2.165 |
2.953 |
| K |
7.756 (9.921) |
8.071(10.236) |
8.425 (10.591) |
8.976 (11.339) |
12.047 |
12.598 |
12.953 |
| L |
4.252 (6.417) |
4.252 (6.417) |
4.252 (6.417) |
4.173 (6.535) |
7.638 |
7.638 |
7.559 |
| M |
3.504 |
3.819 |
4.173 |
4.803 |
4.409 |
4.961 |
5.394 |
| N |
5.984 |
6.299 |
6.654 |
7.205 |
6.890 |
7.441 |
7.795 |
| P max. |
1.772 |
2.008 |
2.205 |
2.717 |
2.559 |
3.150 |
3.150 |
| P min. |
0.984 |
1.024 |
1.024 |
1.339 |
0.984 |
1.181 |
1.181 |
| Q |
6-M10x20 |
6-M12x24 |
12-M12x24 |
12-M16x30 |
6-M12x24 |
12-M12x24 |
12-M16x30 |
| R |
6.220 |
6.535 |
6.890 |
7.441 |
7.126 |
7.677 |
8.031 |
| S |
(0.906) |
(0.906) |
(0.906) |
(1.102) |
0.787 |
0.787 |
0.787 |
| T |
(1.614) |
(1.614) |
(1.614) |
(1.811) |
2.047 |
2.047 |
2.047 |
|